NT50-D double bracket safety breaker strictly follows original design and adopt high-end material. It is specially designed for high-level using situation. The breaker works in lining of 50/60Hz with rated current up to 30A with superior performance. The product complies with international IEC 60898 standard.
Main technical Parameter
Frame current, Inm(A) | 30AF |
Type | NT50 |
Pole&element | 2P2E |
Rated insulating voltage, Uimp (kV) | 2.5 |
Rated current, In (A) | 10,15,20,30 |
Rated working Voltage, Ue(V) | AC230/110 |
Breaking capacity, Ic(A) | 1500 |
Overload characteristics | 1.13 In(cold state) not acting time | +30℃,≥1h |
1.45 In(heat state) acting time | +30℃,<1h |
2.55 In(cold state) acting time | 1s<t<60s |
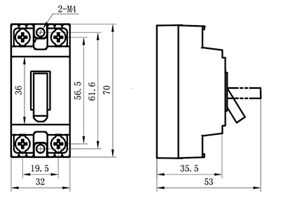
Outline dimensions and mounting dimensions.
